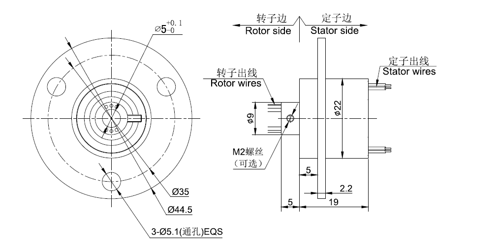
MT0522系列是一款小孔径小电流整体式精密导电滑环,主要应用于360度连续旋转且需要保证电源,信号不能中断的场合:多用于VR模拟仿真设备、扫地机器人、舞台灯、旋转LED户外照明灯(壁灯)、智能家居安防机器人、智能机器人、车载记录仪、激光雷达、微型陀螺稳定光电转塔等任意需要360°旋转导电或传输各种控制信号的装置。

| 滑环等级选型表 | ||||
| 产品等级代号 | 最高转速 | 工作寿命 | 接触材料 | |
| VC(通用级) | 250RPM | 2000万转 | 贵金属 | |
| VD(工业级) | 600RPM | 6000万转 | 金-金 | |
| 技术规格参数 | ||||
| 机械技术指标 | 电气技术指标 | |||
| 参数 | 数值 | 参数 | 数值 | |
| 工作寿命 | 参考产品选型等级 | 功率 | 信号 | |
| 额定转速 | 参考产品选型等级 | 额定电压 | 0~240VAC/VDC | 0~240VAC/VDC | 
| 工作温度 | -30℃~80℃ | 绝缘电阻 | ≥500MΩ/500VDC | ≥500MΩ/500VDC | 
| 工作湿度 | 0~85% RH | 导线规格 | AWG28#镀银铁氟龙 | AWG28#镀银铁氟龙 | 
| 接触材料 | 参考产品等级选型表 | 导线长度 | 标准长度300mm(可据要求调整) | |
| 壳体材料 | 工程塑胶 | 绝缘强度 | 500VAC@50Hz,60s | |
| 转动扭矩 | 0.05N.m;+0.02N.m/6路 | 动态电阻变化值 | <0.01Ω | |
| 防护等级 | IP51 | |||








经过多年的经验积累,默孚龙拥有20万多个产品3D图档数据库,
由于互联网的开放性和同行竞争,需要产品3D图档的客户请留下电子邮箱或者QQ。
审核完联系方式后,我们的系统将在5分钟内把3D自动发动到您的电子邮箱!